Sign In | Join Free | My howtoaddlikebutton.com
China JULUN (H.K)CO.,LTD (DONGGUAN JULUN ELECTRONICS CO.,LTD) logo
JULUN (H.K)CO.,LTD (DONGGUAN JULUN ELECTRONICS CO.,LTD)
JUUN(H.K)JULUN CO.,LTD DongGuan JULUN ELECTRONICS CO.,LTD Main business: the circuit protection device, current fuse, temperature fuse series, fuse holder series, automatic recovery fuse, fuse
Verified Supplier

9 Years

Home > Thermistor Temperature Sensor >

InSb Evaporation Film Resistance Temperature Element NHE520SR Series For Current Sensor

JULUN (H.K)CO.,LTD (DONGGUAN JULUN ELECTRONICS CO.,LTD)
Trust Seal
Verified Supplier
Credit Check
Supplier Assessment
Contact Now

InSb Evaporation Film Resistance Temperature Element NHE520SR Series For Current Sensor

MOQ : 100 / Negotiable

Price : Negotiable

Payment Terms : L/C, D/P, T/T,

Supply Ability : 10000/Piece/Weekly

Delivery Time : 7~10 Working days

Packaging Details : Standard carton

Brand Name : Julun

Certification : CE/UL/VDE/KC/ROHS

Model Number : SZ

Place of Origin : CHINA

Maximum input current : 20 (at25℃)

working temperature : -40~110 ℃

Preservation temperature : -40~125 ℃

Contact Now

NHE520SR series current detecting element InSb sensor element

Features

The InSb evaporation film element with high sensitivity of Holzer model
Because of high sensitivity, it can be used in low magnetic field
The input and output impedance is suitable for the transistor circuit

Purpose

Brushless DC motor
A DVD drive, a CD-ROM drive, a hard disk drive
Other precision small motor
Noncontact sensor
Position detection sensor, rotating detection sensor, current sensor
Various other magnetic sensors

Specifications

Project Symbol Rated Company
Maximum input current Icmax 20 (at25℃) mA
working temperature Topr -40~110
Preservation temperature Tstg -40~125

Project Symbol Determination conditions Minimum standard Maximum Company
output voltage VH Vc=1V B=50mT

168

428 mV
Unbalanced voltage Vo Vc=1V B=0mT -7 7 mV
Input impedance Rin I=1mA 240 550 Ω
Output impedance Rout I=1mA 240 550 Ω
Output voltage temperature coefficient αHI※1 20 DEG to 40 DEG C for the average benchmark 0 between B=50mT Ic=5mA -1.8 %/℃
Input and output electricity Temperature resistance coefficient αR※2 B=0mT Ic=0.1mA -1.8 %/℃

※1:αHI=[1/VH(T1)]×[[VH(T3)-VH(T2)]/(T3-T2)]×100
※2:αR=[1/Rin(T1)]×[[Rin(T3)-Rin(T2)]/(T3-T2)]×100
T1=20℃,T2=0℃,T3=40℃

Product Name Grade output voltage(mV) Determination conditions
NHE520
NHE520R
4

168~204

Rated voltage drive
VH=VHM-Vo
VHM= Holzer output voltage measured value
(at 50mT)
Vo= unbalanced voltage (at 0 mT)
5

196~236

6

228~274

7

266~320

8

310~370

9 360~428

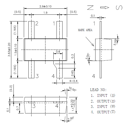
Dimensions

InSb Evaporation Film Resistance Temperature Element NHE520SR Series For Current Sensor

FAQ

Q: Are you trading company or manufacturer ?
A: We are a fuse and fuse holder factory.
Q: How long is your delivery time?
A: Generally it is 3 days if the goods are in stock. Or it is 5-10 days if the goods are not in

stock, according to the quantity.
Q: Do you provide samples ? is it free or extra ?
A: Yes, we could offer the sample for free charge but do not pay the cost of freight.
Q: What is your terms of payment ?
A: 100% in advance, T/T.


Please tell me:
What product specifications do you need? when you ask for a quotation.I will give you the most

competitive price per as your requirements. And we have many types for you to choose.

P.S.:If you can't find any products to meet your requirements. welcome to send us the details

drawings so that we can provide us our professional & best service to you.


Product Tags:

ntc probe temperature sensor

      

ntc thermistor sensor

      
Wholesale InSb Evaporation Film Resistance Temperature Element NHE520SR Series For Current Sensor from china suppliers

InSb Evaporation Film Resistance Temperature Element NHE520SR Series For Current Sensor Images

Inquiry Cart 0
Send your message to this supplier
 
*From:
*To: JULUN (H.K)CO.,LTD (DONGGUAN JULUN ELECTRONICS CO.,LTD)
*Subject:
*Message:
Characters Remaining: (0/3000)
 
Inquiry Cart 0